EPS25-30NC
- Paramètres techniques
- Hauteur de chute nominale(m):25
- Débit nominal(m³/h):5
- IP Classe:IP56
- Classe d’isolation:H
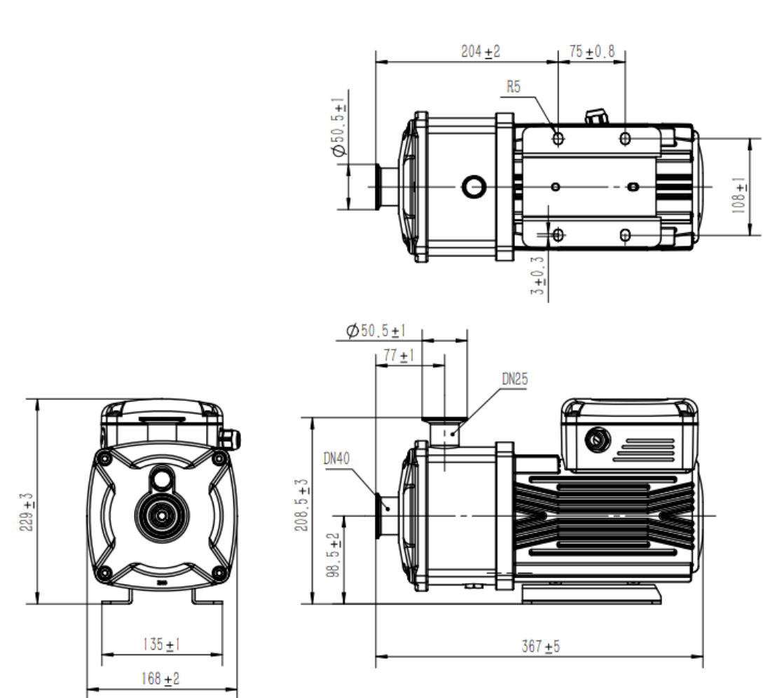
- Taille de l’insert(mm):Φ50.5
- Taille de la sortie(mm):Φ50.5
- Longueur de port à port (mm):359
- Pression du système(Bar) :10
- Température
- Température ambiante(℃):-40℃~70℃
- Température du liquide(℃):-40℃~65℃
- Données électriques
- Puissance(W):1000
- Fréquence (Hz):50Hz
- Tension(v):AC 380V




+86 551 62379807
info@shinhoopump.com




Support des réseaux IPv6